M27*2螺紋介紹
雙金屬溫度計的應用非常廣泛,市場需求量大,但由于適應的場合多而相應的規格型號也多,很多客戶對溫度計的參數不是很了解,今天給大家介紹一下M27*2的螺紋規格,這是一種國內機械設備和管道等比較常用的一種連接螺紋。
M27*2雙金屬溫度計是將繞成螺紋旋形的熱雙金屬片作為感溫器件,并把它裝在保護套管內,其中一端固定,稱為固定端,另一端連接在一根細軸上,稱為自由端。在自由端線軸上裝有指針。當溫度發生變化時,感溫器件的自由端隨之發生轉動,帶動細軸上的指針產生角度變化,在標度盤上指示對應的溫度。


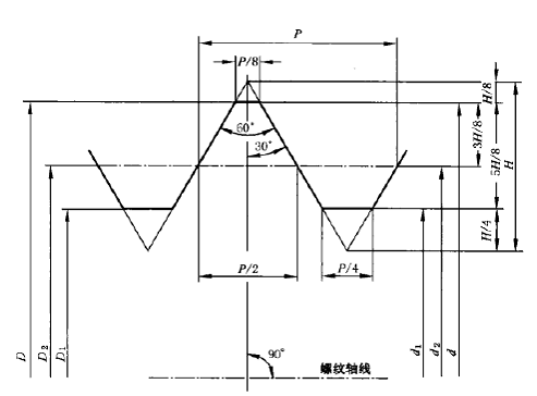
森垚儀表回答:M27X2通常指的是螺紋M27X2,M是米制普通螺紋,27指公稱直徑27mm,2指螺距2mm,中徑約25.701mm,小徑約24.835mm,牙數10,螺紋高度約18mm,六角約28mm。

下一篇:已經是最后一篇了上一篇:不同的螺紋之間有什么區別?
此文關鍵字:溫度計螺紋
森垚儀表最新產品
森垚儀表同類文章排行
- M27*2螺紋介紹
- 不同的螺紋之間有什么區別?
- 彈簧式固定溫度計介紹
- 如何確定雙金屬溫度計測量度數的誤差值?
- 溫度壓力一體表的內部元件壞了可以自己修嗎?
- 在房間里面保持多少的濕度才最合適?
- 充油表在使用時表體上的油塞需要去除嗎?
- 如何選擇自己領域所需要用的溫度計?
- 選擇雙金屬溫度計用的螺牙有什么講究嗎?
- 雙金屬溫度計的材質該如何選擇?
森垚儀表最新資訊文章
您的瀏覽歷史







